83系列塑料柔性链条能够在水平或垂直平面上进行锐角弯曲,具有非常低的摩擦和噪音。
服务热线:021-57883653![]()
操作温度:-10℃至 +40℃
运行速度:50米/分钟
最长距离:12米
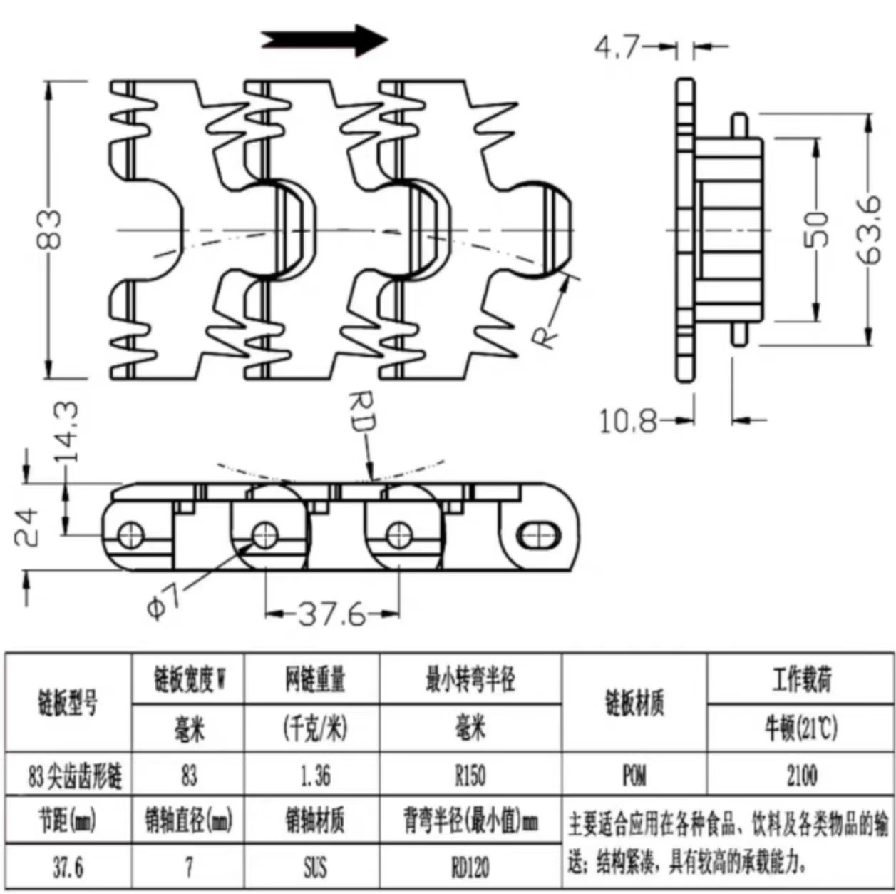
节距:33.5毫米
宽度:83毫米
销轴材料:不锈钢
板材材料:POM(聚甲醛)
包装:10英尺 = 3.048米/箱,30个/箱





![]()

![]()
83系列带齿链
适用于提升和输送零食袋和零食盒的场合。
不规则形状的产品使刷子与之贴合良好。
根据输送物品的尺寸选择适当的刷子间距。
角度和环境会影响输送机的提升角度。
83系列夹持链条
适用于夹持输送规则形状和中等负载强度的物品。
物品通过山形块的弹性变形被夹持。
当山形块在链板上夹持时,如果变形过大,可能会掉落。
83系列平摩擦顶链
适用于中等负载强度的稳定操作场合。
连接结构使输送链更加灵活,同样的动力可以实现多种转向。
齿形可以实现非常小的转弯半径。
表面附有摩擦板,防滑间距不同,效果各异。
角度和环境将影响物料的提升效果。
83系列滚轮顶链
适用于箱框、板材及其他产品的包装和输送。
减少积累压力,降低与输送物品的摩擦阻力。
顶轮通过金属穿刺杆压入链板顶部。
应用领域:
食品和饮料
宠物瓶
卫生纸
化妆品
烟草制造
轴承
机械部件
铝罐
优势:
适合纸箱产品的提升和输送。
支撑块用于阻挡,根据输送物品的尺寸选择适当的支撑块间距。
中心开孔可通过定制支架固定。